
轴径 | 轴承型号 | 重量近似 | 外形尺寸 | 基本额定负荷 | 极限转速 | ||||||
mm | 现行的 | 原型号 | g | d | Fw/F | D | C | B | 动 | 静 | 油润滑 |
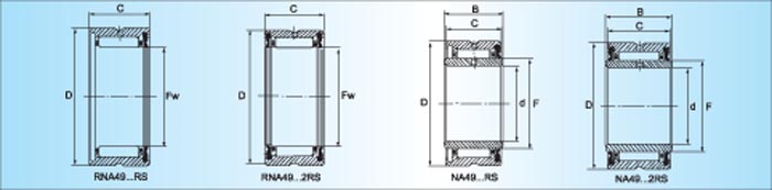
无内圈 | |||||||||||
14 | RNA4900 RS | RNA4900.2RS | 16 | 14 | 22 | 13 | 4500 | 4660 | 13000 | ||
16 | RNA4901 RS | RNA4901.2RS | 18 | 16 | 24 | 13 | 4980 | 5800 | 12000 | ||
20 | RNA4902 RS | RNA4902.2RS | 21.5 | 20 | 28 | 13 | 5980 | 9500 | 10000 | ||
22 | RNA4903 RS | RNA4903.2RS | 23 | 22 | 30 | 13 | 6050 | 10100 | 9000 | ||
25 | RNA4904 RS | RNA4904.2RS | 56 | 25 | 37 | 17 | 14900 | 17500 | 7500 | ||
30 | RNA4905 RS | RNA4905.2RS | 60 | 30 | 42 | 17 | 16300 | 21500 | 6500 | ||
35 | RNA4906 RS | RNA4906.2RS | 69 | 35 | 47 | 17 | 20050 | 24900 | 5500 | ||
42 | RNA4907 RS | RNA4907.2RS | 107 | 42 | 55 | 20 | 22500 | 37000 | 4800 | ||
48 | RNA4908 RS | RNA4908.2RS | 154 | 48 | 62 | 22 | 33050 | 50900 | 4200 | ||
52 | RNA4909 RS | RNA4909.2RS | 157 | 52 | 68 | 22 | 34800 | 56800 | 3900 | ||
58 | RNA4910 RS | RNA4910.2RS | 160 | 58 | 72 | 22 | 37800 | 61500 | 3500 | ||
有内圈 | |||||||||||
10 | NA4900 RS | NA4900.2RS | 24.5 | 10 | 14 | 22 | 13 | 14 | 4560 | 4660 | 13000 |
12 | NA4901 RS | NA4901.2RS | 27.5 | 12 | 16 | 24 | 13 | 14 | 4950 | 5800 | 12000 |
15 | NA4902 RS | NA4902.2RS | 37 | 15 | 20 | 28 | 13 | 14 | 5980 | 9500 | 10000 |
17 | NA4903 RS | NA4903.2RS | 40 | 17 | 22 | 30 | 13 | 14 | 6050 | 10100 | 9000 |
20 | NA4904 RS | NA4904.2RS | 80 | 20 | 25 | 37 | 17 | 18 | 14900 | 17500 | 7500 |
25 | NA4905 RS | NA4905.2RS | 89.5 | 25 | 30 | 42 | 17 | 18 | 16300 | 21500 | 6500 |
30 | NA4906 RS | NA4906.2RS | 104 | 30 | 35 | 47 | 17 | 18 | 20050 | 24900 | 5500 |
35 | NA4907 RS | NA4907.2RS | 175 | 35 | 42 | 55 | 20 | 21 | 22500 | 37000 | 4800 |
40 | NA4908 RS | NA4908.2RS | 252 | 40 | 48 | 62 | 22 | 23 | 33050 | 50900 | 4200 |
45 | NA4909 RS | NA4909.2RS | 290 | 45 | 52 | 68 | 22 | 23 | 34800 | 56800 | 3900 |
50 | NA4910 RS | NA4910.2RS | 295 | 50 | 58 | 72 | 22 | 23 | 37800 | 61500 | 3500 |